Engine Alarm / Buzzer
Moderator: KenKrawford
-
Richard Ad
- Posts: 58
- Joined: Wed Apr 14, 2010 1:08 pm
Engine Alarm / Buzzer
My engine alarm does not sound every time when I pull the engine kill switch. The alarm is on the pedestal instrument plate and is supposed to sound when the engine overheats, the oil pressure is too low, and when the engine is turned off. The alarm is only $24.00 but wanted to see if anyone has replaced theirs.
Any suggestions on testing the wires to see if there’s a short so I don’t go through the process of replacing the alarm only to have the same problem?
Richard Ad
EOM
Any suggestions on testing the wires to see if there’s a short so I don’t go through the process of replacing the alarm only to have the same problem?
Richard Ad
EOM
-
lyle
- Posts: 45
- Joined: Mon Aug 13, 2007 8:22 am
Re: Engine Alarm / Buzzer
The engine buzzer sounds on shutdown due to low oil pressure. That may take a few seconds after you pull the stop handle and the engine stops due to the fact there is still residual oil pressure at the pressure switchfor a short period after shutdown.
-
Richard Ad
- Posts: 58
- Joined: Wed Apr 14, 2010 1:08 pm
Re: Engine Alarm / Buzzer
Thank you for your response. I may have left out a few details. The alarm sounds off only periodically when I turn the key to the ON position even if it's the first engine start of the day. Also, when motoring I get a slight cherp from the alarm. I'll be on the boat tonight; is there anyway to test the wires? My boatyard has a Westerbeke parts store so I'll see if the alarm they have is a replacement for the C-350's alarm.
-
Air Mobility
- Posts: 47
- Joined: Sun Apr 01, 2007 7:57 pm
Re: Engine Alarm / Buzzer
I had a similar problem last year. It turned out to be a broken wire at the oil pressure switch. Check the condition of the wiring and connection pins at the switch. The switch is located low on the port side of the M-35 engine. The fix was a fairly easy repair.(for a boat)
George Fisher
Air Mobility
Hull 158
George Fisher
Air Mobility
Hull 158
-
Richard Ad
- Posts: 58
- Joined: Wed Apr 14, 2010 1:08 pm
Re: Engine Alarm / Buzzer
Well, I think I figured out why I have a weak or intermittent engine alarm. There's a resistor that attaches to the solenoid and a ground (PN 039806) (ref number 17 in the Westerbeke/Universal parts manual page 43 & 44). A guy at Bay Marine / Annapolis said this is what causes a weak alarm. FYI.. the oil pressure sendor is an open switch so when I disconnected both these wires my weak sounding alarm still sounded with the key on & the engine off.... not really sure how a normally "open" switch works to make the alarm sound when open and stop sounding when the switch is closed. I will order this resistor on Monday and hope to install ASAP. I'll let you know what happens.
-
CaptainLarry2
- Posts: 17
- Joined: Fri Jun 25, 2010 2:12 pm
Re: Engine Alarm / Buzzer
Richard - I have the exact same problem. The chirping while the engine is running comes and goes but it drives me nuts.
Did the resistor fix your problem? I measured the alarm with an olm meter and it was exactly right. I have tried changing the alarm and the oil pressure switch and reterminating some wires.
Side note - From the wireing and study of the alarm itself, I cannot figure out what pulses alarm.
Anybody know how to contact at catalina? Does the problem exist on the 36 (simalar set up same engine)
Did the resistor fix your problem? I measured the alarm with an olm meter and it was exactly right. I have tried changing the alarm and the oil pressure switch and reterminating some wires.
Side note - From the wireing and study of the alarm itself, I cannot figure out what pulses alarm.
Anybody know how to contact at catalina? Does the problem exist on the 36 (simalar set up same engine)
-
Richard Ad
- Posts: 58
- Joined: Wed Apr 14, 2010 1:08 pm
Re: Engine Alarm / Buzzer
Hello CaptainLarry2: I ordered the part. There's a resistor that attaches to the solenoid and a ground (PN 039806) (ref number 17 in the Westerbeke/Universal parts manual page 43 & 44). It cost $13.70. That's a lot for a little wire but they assured me that this will fix the problem. Question: are you in H de G?
-
CaptainLarry2
- Posts: 17
- Joined: Fri Jun 25, 2010 2:12 pm
Re: Engine Alarm / Buzzer
I ordered received and installed the resistor – no change. The alarm has a pattern: It sounds at a low level for 3 seconds, then quite for 2 then whole time the engine is running. High rpm, low rpm or idle doesn’t matter. It will go away if I disconnect the lift pump (the engine will continue to run) To date I have changed the oil pressure switch, alarm buzzer, checked and reterminated suspicious connections.
Any comments or ideas welcome
Any comments or ideas welcome
-
CaptainLarry2
- Posts: 17
- Joined: Fri Jun 25, 2010 2:12 pm
Re: Engine Alarm / Buzzer
The engine alarm turned out to be 2 bad connections in the oil pressure alarm circuit. One at the terminal block in back of
the engine panel the other was a faston connector at the fuel pump. I spent 3 hours with a multi-meter
and schematics. Now I have a complete understanding of how the circuit works. The wiring
to complete the circuit runs through many connectors in inhospitable places so this is a problem the could occur frequently
the engine panel the other was a faston connector at the fuel pump. I spent 3 hours with a multi-meter
and schematics. Now I have a complete understanding of how the circuit works. The wiring
to complete the circuit runs through many connectors in inhospitable places so this is a problem the could occur frequently
-
KenKrawford
- Posts: 687
- Joined: Wed Nov 02, 2005 8:54 pm
- Location: Atlanta, GA
Re: Engine Alarm / Buzzer
Larry,
I'm glad you solved your problem. Any idea why an oil pressure alarm goes through the fuel pump???
I'm glad you solved your problem. Any idea why an oil pressure alarm goes through the fuel pump???
Ken Krawford
Message Board Moderator
C350 # 351
Lake Lanier, GA
Message Board Moderator
C350 # 351
Lake Lanier, GA
-
CaptainLarry2
- Posts: 17
- Joined: Fri Jun 25, 2010 2:12 pm
Re: Engine Alarm / Buzzer
The coil in the electric fuel pump provides a ground (along witha 1k resistor in parallel) to turn on the alarm. This occurs when the oil pressure
switch opens if oil pressure is low. With engine running, the oil pressure switch is closed and routes 12 volts from the key switch to the electric fuel pump turning it on and 12 volts to the ground side of the alarm turning it off. In addition, when you go to glow plug position, the oil switch is bypassed, the electric fuel pump and glow plugs are engerized via the solonoid.
Whew! hope this helps
switch opens if oil pressure is low. With engine running, the oil pressure switch is closed and routes 12 volts from the key switch to the electric fuel pump turning it on and 12 volts to the ground side of the alarm turning it off. In addition, when you go to glow plug position, the oil switch is bypassed, the electric fuel pump and glow plugs are engerized via the solonoid.
Whew! hope this helps
-
Bob Hart
- Posts: 9
- Joined: Thu Sep 20, 2007 10:21 pm
Re: Engine Alarm / Buzzer
Just a report on my experience with an (as it turns out, false) engine low oil pressure alarm: After I started the engine normally, the buzzer continued to sound as if the key were on before I cranked the engine. It was difficult to see in sunlight, but the low oil pressure light was lit. Later that day I read the various posts here and concluded I needed to check the oil pressure switch. I didn't have the engine manual with me but found out where it is from one of the posts. Sure enough, one of the two electrical connection spade lugs had corroded and broken off. It was in the slide on wire connector, with the wire now hanging loose. I managed to short the two wires together by taking the broken spade lug and inserting half in each wire connector. I wrapped this with electrical tape to keep them together under engine vibration conditions. I can now get home with engine use as needed but without incessant buzzer noise.
I will need to replace the oil pressure sensor at the earliest opportunity.
P.S. My C350 MkII is only 4 years old. Things have been beginning to fail one after the other: fresh water pump check valve (constant pump cycling); shower sump pump housing seal (wouldn't prime); shower pump discharge siphon break valve (constant siphoning seawater into boat and pump cycling: serious!); water fill cap and holding tank pump out cap o-rings disintegrated; shower head broke apart (my fault for not keeping it on the floor during sailing to prevent falling to floor); speaker wire connections becoming intermittent; steaming light stopped working; air conditioner stops working (cleaning water inlet filter screen helps for awhile). Time for a new boat! But can't find one designed as nicely as the 350. Maybe the new C385 will work.
I will need to replace the oil pressure sensor at the earliest opportunity.
P.S. My C350 MkII is only 4 years old. Things have been beginning to fail one after the other: fresh water pump check valve (constant pump cycling); shower sump pump housing seal (wouldn't prime); shower pump discharge siphon break valve (constant siphoning seawater into boat and pump cycling: serious!); water fill cap and holding tank pump out cap o-rings disintegrated; shower head broke apart (my fault for not keeping it on the floor during sailing to prevent falling to floor); speaker wire connections becoming intermittent; steaming light stopped working; air conditioner stops working (cleaning water inlet filter screen helps for awhile). Time for a new boat! But can't find one designed as nicely as the 350. Maybe the new C385 will work.
-
jking
- Posts: 50
- Joined: Wed Sep 07, 2011 6:31 pm
Re: Engine Alarm / Buzzer
Hi, I had the same problem on our boat, not saying you will have the same solution, but I found that the crimp on a resistor on the top back of the engine had come loose due to vibration. I cut out the old crimp and put in a new one it and it worked fine. I found the problem by wiggling the wire on the engine while the key was in the on position up on deck.
Its pretty much dead centre on the top back side of the engine. It looks like a lump in the wire on the back of the preheat solenoid. They sell a replacement for something like $24 but its cheaper and easier to repair it. In the diagram from the universal engine manual page 25 its just under the 10A circuit breaker (copy attached). You probably will not need a new one unless it is cracked, but if you do its a 1K 1/2 watt resistor, as shown on page 26 of the universal engine manual.
Hope this helps.
Jan King
#303
Its pretty much dead centre on the top back side of the engine. It looks like a lump in the wire on the back of the preheat solenoid. They sell a replacement for something like $24 but its cheaper and easier to repair it. In the diagram from the universal engine manual page 25 its just under the 10A circuit breaker (copy attached). You probably will not need a new one unless it is cracked, but if you do its a 1K 1/2 watt resistor, as shown on page 26 of the universal engine manual.
Hope this helps.
Jan King
#303
- Attachments
-
- Wiring Diagram.png (192.67 KiB) Viewed 31923 times
- TBOT422
- Posts: 461
- Joined: Sun Jun 26, 2011 5:36 pm
- Location: Clearwater, FL
Re: Engine Alarm / Buzzer
It seems like the 10A circuit breaker has failed causing our engine alarm buzzer to be weak and a little erratic.
Can anyone tell me what the differences are between the Westerbeke replacement #036563 at about $25 and a standard automatic reset 12V-10A circuit breaker that costs $2-$5? r.e. http://www.wiringproducts.com/10-amp-sh ... -volt.html
Thanks
Can anyone tell me what the differences are between the Westerbeke replacement #036563 at about $25 and a standard automatic reset 12V-10A circuit breaker that costs $2-$5? r.e. http://www.wiringproducts.com/10-amp-sh ... -volt.html
Thanks
Gary & Janet
The Best of Times (Hull #422)
The Best of Times (Hull #422)
-
pjr
- Posts: 12
- Joined: Sun May 14, 2006 9:33 pm
- Location: Georgian Bay, Wiarton, Ontario
Re: Engine Alarm / Buzzer
FYI: when our engine alarm button went erratic and then silent, it was a sgin that electric power to the fuel lift pump was also gone. The culprit was the junction post near the top of the lift pump (two push-on tabs) - it had broken off. It was covered by a wrap of electrical tape so it was only by accident I found the problem. Despite the loss of 12V to the fuel lift pump, the engine continued to mostly run fine if the tank was more than 1/2 full; I guess the engine fuel pump had enough 'lift' in that situation.
Peter Richards
Catalina 350, # 402, 'Imagine'
Catalina 350, # 402, 'Imagine'
-
jking
- Posts: 50
- Joined: Wed Sep 07, 2011 6:31 pm
Re: Engine Alarm / Buzzer
Hi,
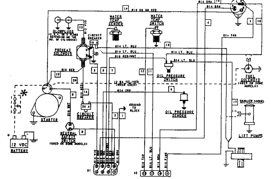
The alarm has stopped working twice for me. Once it was a 1K 1/2 Watt resistor Part#039806 shown as reference number 17 on page #41 of the Universal M35B Parts Manual from Torrensen Marine. I cut out the old resistor and put a new one in its place. Also another time I found a bad connection which was a plug type right near the resistor. Checking these things fixed my problem.
Pages 95, 96 and 97 of the M35B Tech Manual show electrical diagrams which are extremely helpful in fixing these problems. This software will not let me upload the wiring diagram in pdf so I can only load it as a photo. (I am getting old, I can see I wrote a reply last year and forgot).
Jan King Hull #303
The alarm has stopped working twice for me. Once it was a 1K 1/2 Watt resistor Part#039806 shown as reference number 17 on page #41 of the Universal M35B Parts Manual from Torrensen Marine. I cut out the old resistor and put a new one in its place. Also another time I found a bad connection which was a plug type right near the resistor. Checking these things fixed my problem.
Pages 95, 96 and 97 of the M35B Tech Manual show electrical diagrams which are extremely helpful in fixing these problems. This software will not let me upload the wiring diagram in pdf so I can only load it as a photo. (I am getting old, I can see I wrote a reply last year and forgot).
Jan King Hull #303
- Attachments
-
- Electrical Diagram
- Elec.jpg (128.76 KiB) Viewed 31490 times
- TBOT422
- Posts: 461
- Joined: Sun Jun 26, 2011 5:36 pm
- Location: Clearwater, FL
Re: Engine Alarm / Buzzer
I was pretty sure the 10A circuit breaker was the problem in our case, as I was able to place a jumper across it's terminals and the buzzer acted normally. I replaced it this afternoon with a breaker from the local auto parts store that cost $2.49. The only problem was the threaded terminals were much longer than the original breaker and hit the pre-heat solenoid. A closer inspection of the old breaker showed that the terminals had been cut off to make it clear the solenoid. I made a Z-bracket from 2 drawer angle braces that allowed the terminals to point away from the solenoid. That also made the electrical connections easier to access.
All is well with the alarm buzzer.
All is well with the alarm buzzer.
Gary & Janet
The Best of Times (Hull #422)
The Best of Times (Hull #422)
-
Richard Ad
- Posts: 58
- Joined: Wed Apr 14, 2010 1:08 pm
Re: Engine Alarm / Buzzer
FYI... I started this blog on April 14, 2010. UPDATE: The buzzer has been an Albatross around my neck for three years. On Labor Day 2013 I was leaving anchor and my engine began starving for fuel. At 1K RPM the engine ran but when I accelerated to 2.2K RPM the engine would choke and sputter. Thinking it was a dirty fuel filter(s) I replaced all three of them (10 micron / ~60 micron at the fuel pump / 2 micron). I had to remove the fuel pump to replace the ~60 micron and that's when I discovered the hot wire to the fuel pump was broken inside of the wire insulation. Wires were broken but the insulation was still whole. It broke when I removed the fuel pump so I crimped a new male connector. Before replacing the broken section of wire & male connector my fuel pump did NOT click (click-click-click) when I turned the key to heat the glow plugs. Now with the replaced male connector I get a strong clicking AND I have a strong alarm buzzer. I believe that was my problem all along. Not sure how the engine ran for three years with little or no electric juice getting to my fuel pump. By the way; I just put on an additional 13 hours on the engine. The engine seems to be more responsive than ever and the alarm sounds every time I pull the kill switch; it did not sound every time I killed the engine in the past. I will probably will not change the fuel filter on the fuel pump again since I have a 10 micron filter up stream from the pump and some C-350's don't have that filter on their pump.
-
JerryRoss
- Posts: 29
- Joined: Mon Jun 27, 2011 2:02 pm
- Location: Pensacola, FL
Re: Engine Alarm / Buzzer
Does anyone have a low oil pressure buzzer that sounds and a red light that glows when the key is turned on but before the preheat plugs are engaged or the engine is cranked? If so, is the buzzer sound pulsing and loud enough to get your attention and is the red light bright enough to see in the daytime?
I have hull #350 and, when the key is turn on, only occasionally get a buzzer sound that is usually very faint, but do get a red light every time but the light is very dim and is not noticeable in the daytime. I have read all the threads and posts on this forum about problems with the buzzer but have not yet solved my own problem. After extensive wire tracing, voltage and resistance measurements and analyzing Catalina’s wiring diagrams and my own diagram for the instrument panel, I am beginning to suspect there might be a fundamental design flaw in the low oil pressure alarm system.
Please let me know how your low oil pressure buzzer and light works. Thanks in advance.
I have hull #350 and, when the key is turn on, only occasionally get a buzzer sound that is usually very faint, but do get a red light every time but the light is very dim and is not noticeable in the daytime. I have read all the threads and posts on this forum about problems with the buzzer but have not yet solved my own problem. After extensive wire tracing, voltage and resistance measurements and analyzing Catalina’s wiring diagrams and my own diagram for the instrument panel, I am beginning to suspect there might be a fundamental design flaw in the low oil pressure alarm system.
Please let me know how your low oil pressure buzzer and light works. Thanks in advance.
Jerry Ross
s/v Coquillage
Catalina 350, Hull #350
s/v Coquillage
Catalina 350, Hull #350
-
pdenoncourt
- Posts: 36
- Joined: Wed Nov 02, 2005 7:33 pm
- Location: Jacksonville, FL
Re: Engine Alarm / Buzzer
Jerry, I have hull#72 and have the same experience with the buzzer/light. Last spring my oil pressure sensor failed (terminal broke off) and I had to replace it. The buzzer worked correctly for about 3 more startings before returning to its intermittent performance. It has been so unreliable that i just ignore it and look closely for the light periodically, as well as keeping an eye on the oil level and temperature.
Peter Denoncourt
Kite, C350 #72
Peter Denoncourt
Kite, C350 #72
